
There are many topologies which can be used for power factor improvement in the AC-DC converter stage of electric vehicle chargers
- Diode Rectifier + Boost
- Diode Rectifier + Interleaved Boost
- Totempole Bridge less PFC (Diode Rectification)
- Totempole PFC (Switch Rectification)
- Interleaved Totempole PFC (Diode/switch rectification)
- Active Front End Converter (APEC)
Diode Rectifier + Boost PFC Converter:
This is the basic PFC converter which is combination of diode bridge rectifier and boost converter. Simple structure and simple control due to single switch in boost converter.

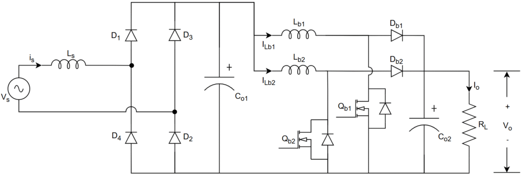
Diode Rectifier + Interleaved Boost PFC Converter:
It is an updated PFC converter from the basic PFC which is combination of diode bridge rectifier and interleaved boost converter. The boost converter interleaved action improves the efficiency of the overall system by reducing the current ripple. Also, handle higher power capacity.

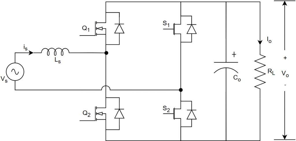
Totempole Bridge less PFC (Diode Rectification):
Totempole bridgeless PFC converter is a combination of switch leg and diode leg, which reflects the not a proper bridge. Now a days, it is a commonly using PFC topology since less number of components and simple control due to only 2 switches.

Totempole PFC (Switch Rectification):
It is a modification of previous topology. Just replaces the diode leg with a low-frequency switch leg that means this topology is combination of one high-frequency (HF) switching leg and one low-frequency (LF) switching leg.
Due to this, the converter efficiency improves since the conduction loss of LF switch is less than the diode (Diode vs SR MOSFET losses)

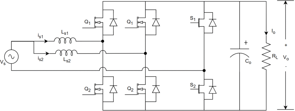
Interleaved Totempole PFC (Diode/Switch Rectification):
An additional HF switching leg is connected to the previous topology. The LF leg (3rd leg) can be diode leg or switch leg. switch leg is more efficient than diode leg (Diode vs SR MOSFET losses). Interleaved action improves the efficiency of the overall system by reducing the current ripple. Also, can be increased the power level compare to traditional one.

Active Front End Converter (AFEC):
It is an active rectifier or AFEC which is combination of two HF switching legs or full-bridge. It can be used for bi-directional converter that means AC-DC (rectifier) and DC-AC (inverter) with power factor improvement. Uses for the high power capability.

In single phase applications, totem pole PFC and diode bridge + boost converter PFC are two topologies commonly used. Active front end converter is most commonly used topology in the three-phase applications for power factor correction.
Leave a Reply